国产毛片视频,国产又猛又黄,黑人巨茎大战欧美白妇,久久人人爽人人爽,卡一卡二卡三卡四卡五

您好歡迎訪問淄博「久增機械」有限公司網站!可繼續瀏覽查看多種型號的減速機產品大全
硬齒面減速機廠家型號齊全

ZQ減速機,ZSC減速機等規格種類多,價格低

服務咨詢電話

131-7658-3123

久增機械 新聞中心

jiuzeng machine news center

ZQA圓柱齒輪減速機的適用條件

  ZQA圓柱齒輪減速機主要用于起重、礦山、通用化工、紡織、輕工等行業。ZQA圓柱齒輪減速機適用條件您知道都有哪些嗎?
  ZQA圓柱齒輪減速機的適用條件如下:
  1、減速機齒輪傳動圓周速度不大于160米/秒 ;
  2、減速機高速軸的轉速不大于1500轉/分 ;
  3、減速機工作環境溫度為-40°至+40°;
  4、減速機用于正、反兩向運轉 ;
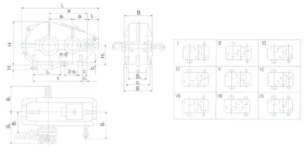
  5、本減速機有九種傳動比,九種配置型式有三種低速軸軸端形式;
  6、具體傳動比有:8.0、10.0、12.5、16.0、20.0、25.0、31.5、 40.0、50.0 。

  ZQA圓柱齒輪減速機外形、安裝尺寸圖:

ZQA圓柱齒輪減速機外形、安裝尺寸圖

硬齒面減速機廠家:久增機械有限公司生產ZQ減速機、撕碎機減速機、MBY邊緣傳動磨機減速機、HB大功率減速機等多種型號規格減速機廠家  ©2019 Microsoft Corporation. All rights reserved.

魯ICP備19024477號-1

|